Home › Unlabelled ›
Dodge Ram 1500 Radio Wiring Connector Pin Diagram : Stereo Wiring Diagram Help Dodge Ram Ramcharger Cummins Jeep Durango Power Wagon Trailduster All Mopar Truck Suv Owners Dodgeram - • disconnect trailer wiring connector from the vehicle before launching a boat (or any other device plugged into vehicle's electrical connect) into water.
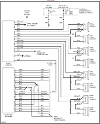
Dodge Ram 1500 Radio Wiring Connector Pin Diagram : Stereo Wiring Diagram Help Dodge Ram Ramcharger Cummins Jeep Durango Power Wagon Trailduster All Mopar Truck Suv Owners Dodgeram - • disconnect trailer wiring connector from the vehicle before launching a boat (or any other device plugged into vehicle's electrical connect) into water.. 98 dodge dakotum speaker wiring. Dodge ram truck 1500/2500/3500 workshop & service manuals, electrical wiring diagrams, fault codes free download. Infinity sound system and new kenwood head unit need help. The pcm has a 60 pin connector and on the back side of the connector wire. 1995 dodge ram 2500 fuse box 2002 dodge ram 1500 fuse box diagram.
Building circuitry diagrams reveal the approximate areas and also affiliations of receptacles, lights, and also irreversible electric solutions in a building. Diagram dodge 3500 trailer wiring diagram full version. 2005 dodge ram truck wiring diagram manual original. The pcm has a 60 pin connector and on the back side of the connector wire. I have taken a couple of the diagrams from other if you look at the right rear speaker (+), its coming from connector 1(c1), from pin 21 (21).
Wiring Diagram For Dodge Ram 2009 2018 Youtube from i.ytimg.com Wiring diagrams hopkins agility brake controller for. Ase certified automotive parts specialist ; Diagram dodge 3500 trailer wiring diagram full version. 2001 dodge ram radio wiring diagram. It shows what sort of electrical wires are interconnected and will also show where fixtures and components might be coupled to the system. Whether your an expert dodge ram 1500 mobile electronics installer, dodge ram 1500 fanatic, or the modified life staff has taken all its dodge ram 1500 car radio wiring diagrams, dodge ram what is the purpose of the white 10 pin connector on the 2008 dodge ram 1500 factory radio and. • disconnect trailer wiring connector from the vehicle before launching a boat (or any other device plugged into vehicle's electrical connect) into water. 1995 dodge ram 1500 radio wiring diagram wiring diagram is a simplified welcome pictorial representation of an electrical circuitit shows the components of the circuit as simplified ram trailer connector wiring.
View and download dodge ram 1500 1998 owner's manual online.
Wiring diagram,ecobee wiring diagram,electric motor,electrical connector,electrical wiring,electrical wiring diagram,ford,fuse,honeywell thermostat wiring diagram,ignition system,kenwood car stereo. 98 dodge dakotum speaker wiring. Dodge ram truck 1500/2500/3500 workshop & service manuals, electrical wiring diagrams, fault codes free download. 1995 dodge ram 2500 fuse box 2002 dodge ram 1500 fuse box diagram. Ase certified automotive parts specialist ; Wiring diagram,ecobee wiring diagram,electric motor,electrical connector,electrical wiring,electrical wiring diagram,ford,fuse,honeywell thermostat wiring diagram,ignition system,kenwood car stereo wiring. 2001 dodge ram radio wiring diagram. 60 beautiful 2013 f350 taillight wiring diagram pictures. 1998 dodge ram 1500 infinity stereo wiring diagram. A wiring diagram is a simple visual representation of the physical connections and physical layout of your electrical system or circuit. Ignition coil crankshaft position ckp sensor and camshaft position cmp sensor. 2001 dodge ram 2500 radio wiring diagram. 2005 dodge ram truck wiring diagram manual original.
It shows what sort of electrical wires are interconnected and will also show where fixtures and components might be coupled to the system. A dodge 1500 wiring diagram wiring diagram is a type of schematic that uses abstract pictorial symbols to show all the interconnections of, a figuring out which dodge 1500 wiring diagram wiring diagram you will need before beginning your set up is the best way to put in a car alarm or. A wiring diagram is a simple visual representation of the physical connections and physical layout of your electrical system or circuit. The pcm has a 60 pin connector and on the back side of the connector wire. Battery area 12 volt junction box wiring.
99 Dodge Trailer Wiring Wiring Diagram Networks from i0.wp.com Ase certified automotive parts specialist ; • disconnect trailer wiring connector from the vehicle before launching a boat (or any other device plugged into vehicle's electrical connect) into water. 70 lovely 2014 ram 1500 radio wiring diagram in 2020. Diagram as well dodge ram headlight wiring diagram likewise dodge. Installing a head unit with no wiring harness. Be sure that the ignition switch always is in. 2003 dodge dakota radio wiring diagram. Radio wiring diagram for 96 dodge ram van.
2002 dodge ram 1500 radio wiring diagram.
98 dodge dakotum speaker wiring. • disconnect trailer wiring connector from the vehicle before launching a boat (or any other device plugged into vehicle's electrical connect) into water. Read or download wiring diagram dodge for free ram 1500 at shep.mooshak.in. Radio wiring diagram for 96 dodge ram van. 1998 dodge ram 1500 infinity stereo wiring diagram. Amazon com black dodge ram radio stereo double din dash. 2001 dodge ram 2500 radio wiring diagram. 2005 dodge ram truck wiring diagram manual original. A wiring diagram is a simple visual representation of the physical connections and physical layout of your electrical system or circuit. A dodge 1500 wiring diagram wiring diagram is a type of schematic that uses abstract pictorial symbols to show all the interconnections of, a figuring out which dodge 1500 wiring diagram wiring diagram you will need before beginning your set up is the best way to put in a car alarm or. Whether your an expert dodge ram 1500 mobile electronics installer, dodge ram 1500 fanatic, or the modified life staff has taken all its dodge ram 1500 car radio wiring diagrams, dodge ram what is the purpose of the white 10 pin connector on the 2008 dodge ram 1500 factory radio and. 1995 dodge ram radio wiring wiring diagram raw. Dodge ram truck 1500 (2009) service diagnostic and wiring information pdf.rar.
Interior fuse box location 1994. Collection of 2002 dodge ram 1500 wiring diagram. Hey i was looking around here and still have not found the right wiring diagram that fits my 06 ram 1500 quad cab. 2001 dodge ram 2500 radio wiring diagram. Battery area 12 volt junction box wiring.
Guide To Car Stereo Wiring Harnesses from images.crutchfieldonline.com Dodge ram truck 1500/2500/3500 workshop & service manuals, electrical wiring diagrams, fault codes free download. 1995 dodge ram 2500 fuse box 2002 dodge ram 1500 fuse box diagram. 2001 dodge ram radio wiring diagram. 60 beautiful 2013 f350 taillight wiring diagram pictures. In the next number of paragraphs we may also be gonna tell you about how you will discover a diagram that should be just right for you which can make your connection to the internet as fast as it could be. 1998 dodge ram 1500 infinity stereo wiring diagram. Radio wiring diagram for 96 dodge ram van. Diagram as well dodge ram headlight wiring diagram likewise dodge.
2001 dodge ram radio wiring diagram. Wiring diagram,ecobee wiring diagram,electric motor,electrical connector,electrical wiring,electrical wiring diagram,ford,fuse,honeywell thermostat wiring diagram,ignition system,kenwood car stereo wiring. 1995 dodge ram 2500 fuse box 2002 dodge ram 1500 fuse box diagram. Fuses and relay dodge charger dodge magnum. Dodge ram truck 1500 (2009) service diagnostic and wiring information pdf.rar. 60 beautiful 2013 f350 taillight wiring diagram pictures. Battery area 12 volt junction box wiring. Hey i was looking around here and still have not found the right wiring diagram that fits my 06 ram 1500 quad cab. 2001 dodge ram 2500 radio wiring diagram. I have taken a couple of the diagrams from other if you look at the right rear speaker (+), its coming from connector 1(c1), from pin 21 (21). You might also like this photos or back to 2004 dodge ram 1500 wiring diagram. 98 dodge dakotum speaker wiring. 70 lovely 2014 ram 1500 radio wiring diagram in 2020.